∷ 承插彎頭、三通、四通概述
名 稱: 承插焊管件/Socket welded Pipefittings
規 格: DN6~DN100 (1/8"~4")
壓 力: SCH80,SCH160,XS,XXS,3000LB,6000LB,9000LB
材 質: 碳鋼(CS)、 不銹鋼(SS)、 合金鋼(AS)
類 型: 彎頭、三通、四通、管箍、活接頭、管帽、斜三通、半管接頭以及各類異形非標接頭
工 藝: 鋸切、熱處理、模鍛、機加工
標 準: ASMEB16.11、GB/T14383-2008、MSS SP-83、BS3799
|
|
|
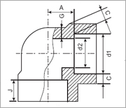
承插彎頭 |
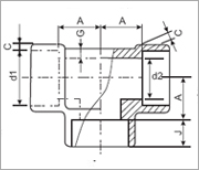
承插三通 |
承插四通 |
| Socket Elbow |
Socket Tee |
Socket Cross |
 |
 |
 |
公稱通徑
Nominal
Diameter |
承插孔深度
Depth of Socket |
承插孔直徑
Dimension of Socket |
壁厚
Wall Thickness |
中心至承插孔底
Center to Bottom of Socket |
A |
Cmin |
90°彎頭、三通、四通
90°Elbow、Tee、Cross |
45°彎頭
45°Elbow |
DN |
NPS |
Jmin |
d1 |
3000LB
Sch80 |
6000LB
Sch160 |
9000LB
XXS |
3000LB
Sch80 |
6000LB
Sch160 |
9000LB
XXS |
3000LB
Sch80 |
6000LB
Sch160 |
9000LB
XXS |
6 |
1/8 |
10 |
10.7 |
3.2 |
3.5 |
- |
11 |
11 |
- |
8 |
8 |
- |
| 8 |
1/4 |
10 |
14.1 |
3.3 |
4.0 |
- |
11 |
15 |
- |
8 |
8 |
- |
| 10 |
3/8 |
10 |
17.5 |
3.5 |
4.4 |
- |
13 |
15 |
- |
8 |
12 |
- |
| 15 |
1/2 |
10 |
21.8 |
4.1 |
5.2 |
8.2 |
16 |
19 |
25 |
11 |
13 |
16 |
| 20 |
3/4 |
13 |
27.4 |
4.3 |
6.1 |
8.6 |
19 |
22 |
28 |
13 |
14 |
18 |
| 25 |
1 |
13 |
34.2 |
5.0 |
7.0 |
10.0 |
22 |
27 |
32 |
14 |
18 |
22 |
| 32 |
1.1/4 |
13 |
42.9 |
5.3 |
7.0 |
10.6 |
27 |
32 |
35 |
18 |
21 |
22 |
| 40 |
1.1/2 |
13 |
48.3 |
5.6 |
7.8 |
11.2 |
32 |
38 |
38 |
21 |
25 |
25 |
| 50 |
2 |
13 |
61.1 |
6.1 |
9.5 |
12.2 |
38 |
41 |
41 |
25 |
29 |
29 |
| 65 |
2.1/2 |
16 |
76.9(73.8) |
7.7 |
12.5 |
- |
41 |
57 |
- |
29 |
32 |
- |
80 |
3 |
16 |
89.8 |
8.3 |
13.8 |
- |
57 |
64 |
- |
32 |
35 |
- |
100 |
4 |
19 |
115.5 |
9.4 |
- |
- |
66 |
- |
- |
42 |
- |
- |
|
備注:
1、承插壁厚外圍平均值不低于所列值,最小值僅限于局部區域。
2、每種規格的上下值分別代表最大、最小尺寸。
Note:
1、Average of socket wall thickness around periphery shall be no less than listed values. The minimum values are permitted in localized areas.
2、Upper and lower values for each size are the respective maximum and minimum dimensions. |